-
模拟电工接线app(Droid Tesla Pro)
- 类别:商务办公
- 时间:2026-02-21 15:38
- 大小:292 MB Bytes
- 平台:安卓/win
手机电工模拟接线软件是一款专为电工从业人员和电子爱好者设计的移动端学习工具。通过这款应用,用户可以随时随地在手机上模拟各种电路连接状态,无需依赖电脑设备即可完成专业级的电路实验操作。软件内置丰富的电子元器件库,支持多种电路类型模拟,界面简洁直观,操作便捷流畅。无论是日常学习还是工作实践,都能为用户提供高效可靠的模拟环境,帮助用户快速掌握电工接线技能。该应用特别适合需要经常进行电路测试和故障排查的专业人士使用。
模拟电工接线app介绍
电工模拟接线软件是一款功能强大的电路仿真工具,采用先进的模拟算法,能够精确还原真实电路的工作状态。用户可以在虚拟环境中自由添加各类电子元器件,包括电阻、电容、电感等基础元件,还能设置输入波形参数,观察电路响应特性。软件特别优化了移动端操作体验,支持手势缩放和拖拽布线,让电路设计更加直观便捷。无论是教学演示还是实际工程应用,都能提供专业级的仿真效果,大大提升学习和工作效率。
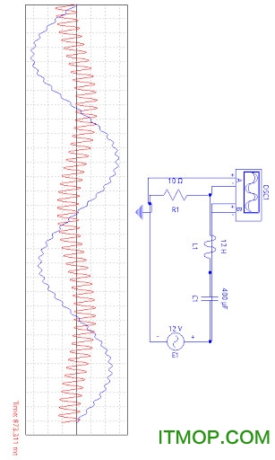
电工实物接线仿真软件详情说明
该软件能够实现
MOSFET的N沟道耗尽;
MOSFET的N沟道增强;
MOSFET的P沟道耗尽;
MOSFET的P沟道增强;
电位器(仅在专业版中可用);
灯泡(仅在专业版);
理想运算放大器;
双极型晶体管(NPNPNP);
电阻;
电容;
电感;
交流电流表;
交流电压表;
直流电压表;
直流电流表;
CCVS-电流控制电压源;
VCVS-电压控制电压源;
VCCS-电压控制电流源;
CCCS-电流控制电流源;
方波电压源(仅在专业版);
三角波电压源(仅在专业版);
PN二极管;
PN带领二极管;
PN齐纳二极管;
交流电流源;
直流电流源;
交流电压源;
直流电压源(电池);
电工接线相关说明
虽然对于大多数电路来说,两种方法都将提供几乎相同的结果。软件采用先进的数值计算方法,确保仿真结果的准确性和可靠性。用户可以根据实际需求选择不同的计算模式,以获得最佳的仿真效果。
通常认为Gear方法更稳定,但梯形法更快更准确。软件会根据电路复杂度自动选择最优算法,同时支持手动切换,满足专业用户对特殊电路的分析需求。
对于诸如二极管和BJT的非线性组件,DroidTesla引擎通过在答案中进行初步猜测来搜索近似解。系统采用智能迭代算法,能够快速收敛到最优解,大幅提升非线性电路分析的效率。
然后通过建立在这个猜测上的连续计算来改进解决方案。软件会实时显示计算过程和数据变化,帮助用户深入理解电路工作原理,提升分析和解决问题的能力。














