-
仿真电路模拟器汉化版(driod tesla pro)
- 类别:养成教育
- 时间:2026-03-18 09:58
- 大小:4 MB Bytes
- 平台:安卓/win
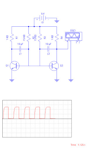
仿真电路模拟器汉化版(driodteslapro)是一款专为电路学习设计的实用工具,通过二维平面构造和三维动态演示,帮助用户轻松理解生活中的电路知识。无论是初学者还是专业人士,都能通过直观的操作界面快速掌握电路原理,提升实践能力。
仿真电路模拟器专业版内容介绍
仿真电路模拟器droidteslapro是安卓平台上的spice模拟器,spice是simulationprogramwithintegratedcircuitemphasis的缩写,是一种功能强大的通用模拟电路仿真器。总之,这个只分享给专业人士!
仿真电路模拟器中文版特色功能
完全支持线路图基础上的fpga设计
spice3f5混合电路模拟
分级线路图进入
设计前和设计后的信号线传输效应分析
规则驱动的板卡设计和编辑
自动布(autorouting)
完整cam输出能力
主要用途
动画电压波形和电流流
模拟控制旋钮调整电路参数
自动布线
示波器
无缝dc和瞬态仿真
单播放/暂停按钮控制模拟
保存和加载的电路原理图
移动从地面建造的仿真引擎
直观的用户界面
没有广告
组件:
源代码,信号发生器
电阻器,电容器,电感器
二极管,齐纳二极管,发光二极管(led)
mos晶体管(mosfet),
双极结晶体管(bjt)
理想运算放大器(运放)
数字逻辑门,or,not,nand,nor,xor,xnor
更新日志
维护正常运作,修复了bug。
包名:org.vlada.droidteslapro
MD5:0d9f9ae39ea904ff6bb3929472c5650f








